1 Integrating FieldEdge SGC500 into PROFINET Networks
This article provides guidance on integrating the SGC500 into PROFINET networks that utilize multiple subnets.
A fundamental understanding of networking concepts is required to successfully deploy the SGC500 in a multi-subnet PROFINET environment.
1.1 IP Addresses in PROFINET Subnets
We recommend the use of private IP addresses. The use of public IP addresses is under the responsibility of the plant operator.
| No. of networks | Class | Address range | Network mask | Number of nodes per network |
| 1 | Class A | 10.0.0.0 to 10.255.255.255 | 255.0.0.0 | 16.8 million |
| 16 | Class B | 172.16.0.0 to 172.31.255.255 | 255.255.0.0 | 65534 |
| 256 | Class C | 192.168.0.0 to 192.168.255.255 | 255.255.255.0 | 254 |
Private IPv4 address ranges
1.2 Supported Network Features
1.2.1 Single Subnet Only
The SGC500 supports one IP subnet per device. No multi-network configuration on a single ethernet port.
IP Assignment:
- Static IP: Recommended for deterministic PROFINET communication.
Example:- IP: 192.168.0.x
- Subnet: 255.255.255.0
- DHCP: Supported if dynamic addressing is acceptable in your environment. Ensure the DHCP server provides consistent leases for stability. (Not recommended)
1.2.2 Supported Number of PROFINET Devices
The SGC500 PROFINET supports up to 254 PROFINET devices.
1.3 Important Limitations of FieldEdge SGC500 in PROFINET Environment
1.3.1 No VLAN Support:
The SGC500 cannot tag or process VLAN frames. All traffic must be on a flat Layer 2 network without VLAN segmentation.
A flat Layer 2 network refers to a network architecture where all devices are connected within the same broadcast domain, without segmentation or hierarchical structure.
1.3.2 Single Network on the Field Network Ethernet Port
The device does not support multiple IP networks on the field network interface . You must configure one IP address and subnet on the field network ethernet port.
Implications
- Network Design:
- Keep the PROFINET network isolated or use dedicated switches for deterministic traffic.
- Security & Segmentation:
- Since VLANs are not available on the SGC500, use physical separation or managed switches with VLAN capability for segmentation.
2 Possible Options for handling multiple Subnets
2.1 Use Multiple FieldEdge SGC500s
When deploying the SGC500, you need to use one device per subnet due to the following limitations:
- The field network ethernet port on the SGC500 supports only one subnet.
- VLANs are not supported, so network segmentation must be achieved through physical ports and separate subnets.
To ensure proper isolation and functionality, plan your architecture so that each subnet is assigned to a dedicated SGC500 unit or port without relying on VLAN tagging.
2.2 Convert Multiple Subnets into one Supernet
The SGC500 field network ethernet port supports only a single subnet. If the plant operates with multiple subnets, these must be consolidated into a single supernet.
⚠ Important Considerations
- Please contact your network administrator to confirm whether this consolidation is feasible and to determine the appropriate configuration.
- Merging subnets can cause IP conflicts if devices keep old IPs without updating masks.
- If it is not possible to modify the subnet masks on all devices, the supernet configuration cannot be implemented.
We showcase this with a practical example in the following chapters.
2.2.1 Merge the Subnets to one Supernet
Consider a PROFINET plant with two subnets: 192.168.10.0/24 and 192.168.20.0/24. To integrate these subnets with a single SGC500, they must first be combined into a single supernet.
To merge 192.168.10.0/24 and 192.168.20.0/24 into a single subnet, you need to use subnetting and supernetting principles:
✅ Step 1: Analyze Current Subnets
- 192.168.10.0/24 → 256 IPs (usable: 254)
- 192.168.20.0/24 → 256 IPs (usable: 254)
- Combined: 512 IPs needed.
✅ Step 2: Find a Common Supernet
- Both networks fall under 192.168.0.0/16, but we only need to cover .10.x and .20.x.
- The smallest supernet that includes both:
- 192.168.0.0/19 → Covers 192.168.0.0 – 192.168.31.255 (8192 IPs)
- This includes both 192.168.10.0 and 192.168.20.0.
✅ Step 3: New Subnet
- Network Address: 192.168.0.0
- Subnet Mask: /19 → 255.255.224.0
- Range: 192.168.0.0 – 192.168.31.255
✅ Step 4: Implementation
- Update the hardware configuration of the PROFINET IO controller to reflect the new /19 subnet mask.
- Ensure all devices in both subnets use the new subnet mask 255.255.224.0.
- If VLANs are used, merge them or adjust trunking.
- Update all network components e.g. Asset Management System, SGC500 field network interface with new /19 subnet mask.
2.2.2 Reestablishing Subnet Isolation with Service Bridge
The SGC500 supports only a single subnet. If the plant operates with multiple subnets, these must be consolidated into a single supernet. This process removes the segregation between the original subnets. To restore this segregation, for example a solution such as the Siemens XC-200 Service Bridge can be implemented. The Service Bridge enables subnet separation within the supernet by applying Access Control Lists (ACLs). An ACL can be configured with a ‘deny all’ policy, permitting only the SGC500 to communicate with the two PROFINET networks located behind the Service Bridge.
Note: In this example, Siemens XC-208 managed switches are used as Service Bridges; however, other brands can also be utilized, provided they support ACL functionality.
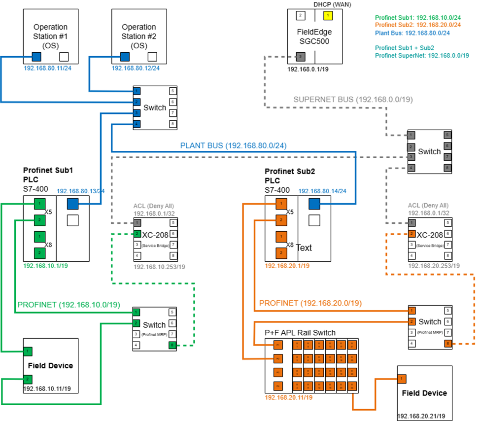
2.2.3 Illustration of the segregated Supernet
The diagram illustrates the following network configuration:
- SGC500: IP address 192.168.0.10/19 (grey).
- Two PROFINET subnets:
- 192.168.10.0/19 (green)
- 192.168.20.0/19 (orange)
- Plant subnet: 192.168.80.0/24 (blue), shown for completeness. Ensure that the plant subnet’s IP range does not overlap with the supernet range.
To maintain segregation within the supernet:
- A Service Bridge with IP 192.168.10.253/19 connects the grey and green subnets.
- Another Service Bridge with IP 192.168.20.253/19 connects the grey and orange subnets.
Although the green and orange subnets belong to the same supernet, the two Service Bridges enforce isolation by applying a “deny all” ACL policy.
To allow communication with the SGC500, add its IP address 192.168.0.10/32 to both ACLs.
To connect a Service Bridge subnet to a PROFINET ring, a switch that supports Media Redundancy Protocol (MRP) is required.
Note: In this example, managed Siemens XC-208 switches are used as Service Bridges. With the XC-208 switch with Service Bridge functionality, it is possible to connect, up to seven separate subnets.